Дизайн-трап с «сухим» сифоном предназначен для установки во внутренних помещениях и отвода в канализацию сточных вод с уровня пола и гидроизоляции.
Технические характеристики:
Максимальная разрешенная нагрузка до 300 кг
Температура отводимой жидкости до 85°С
Срок службы не менее 50 лет
Особенности монтажа:
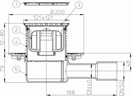
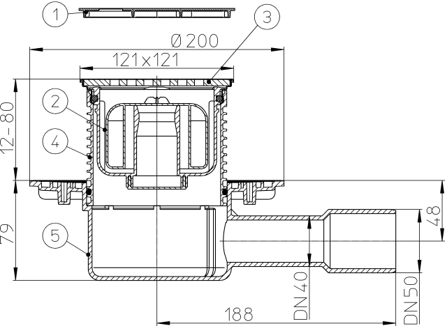
1. Высота надставного элемента трапа регулируется от 12 до 80 мм (подрезается по высоте стяжки). При необходимости увеличить высоту применяются удлинители HL340N.
2. Если диаметр присоединяемой канализационной трубы DN40, то необходимо на отводящем патрубке корпуса трапа отрезать патрубок DN50.
3. Если трап монтируется в разрыв гидроизоляции, то резиновое уплотнительное кольцо на надставной элемент не ставится. Отсутствие кольца даёт возможность воде, попавшей на гидроизоляцию, беспрепятственно уйти в канализацию через специальные каналы в надставном элементе и корпусе трапа.
4. В зависимости от типа гидроизоляции используются следующие гидроизоляционные комплекты:
| Листовая гидроизоляция
| Наливная (двухкомпонентная)
| |||
| EPDM | ПВХ | ПП | Битумная | |
| HL83 | HL83.P | HL83.PP | HL83.H | HL83.M |
| HL83.0
| ||||
6. До завершения монтажных работ, для исключения попадания посторонних предметов в систему канализации, в корпус трапа устанавливается монтажная заглушка (идёт в комплекте). После установки надставного элемента, который подрезается в зависимости от необходимой высоты, она удаляется. В надставной элемент также может устанавливаться заглушка для предотвращения его повреждения или деформации. После завершения монтажных работ в надставной элемент устанавливается “сухой» сифон, а затем дизайн-решетка "Ориноко" из нержавеющей стали. Монтажные заглушки подлежат утилизации.
Схема работы «сухого» сифона «Primus»:
![]() | ![]() | ![]() | ![]() |
|
Рис. 1 Сифон во время слива воды | Рис. 2
Пересыхание водяного затвора |
Рис. 3 Сифон в "сухом" состоянии | |
Трап HL510NPr-3123 позволяет отводить в канализацию стоки с температурой до 100°С, при условии, что её воздействие имеет кратковременный характер (100-200 литров жидкости с температурой не более 100°С). Повышение температуры сливаемой жидкости до 100°С не влияет на пропускную способность трапа и его работоспособность, так как основной рабочий элемент трапа – сифон выполнен из полипропилена (рабочая температура которого не должна превышать 100°С). В этом случае снижается только максимально допустимая нагрузка на трап (так как корпус трапа исполняет роль несущего силового элемента), она не должна превышать 150 кг.
Для покупки товара в нашем интернет-магазине выберите понравившийся товар и добавьте его в корзину. Далее перейдите в Корзину и нажмите на «Оформить заказ» или «Быстрый заказ».
Когда оформляете быстрый заказ, напишите ФИО, телефон и e-mail.
Вам перезвонит менеджер и уточнит условия заказа. По результатам разговора вам придет подтверждение оформления товара на почту или через СМС. Теперь останется только ждать доставки и радоваться новой покупке.
Оформление заказа в стандартном режиме выглядит следующим образом:
Заполняете полностью форму по последовательным этапам: адрес, способ доставки, оплаты, данные о себе. Советуем в комментарии к заказу написать информацию, которая поможет курьеру вас найти. Нажмите кнопку «Оформить заказ».
Оплачивайте покупки удобным способом. В интернет-магазине доступно 3 варианта оплаты:
- Наличные при самовывозе или доставке курьером. Специалист свяжется с вами в день доставки, чтобы уточнить время и заранее подготовить сдачу с любой купюры. Вы подписываете товаросопроводительные документы, вносите денежные средства, получаете товар и чек.
- Безналичный расчет при самовывозе или оформлении в интернет-магазине: карты Visa и MasterCard. Чтобы оплатить покупку, система перенаправит вас на сервер системы ASSIST. Здесь нужно ввести номер карты, срок действия и имя держателя.
- Безналичный расчет как юридическое лицо. Для этого необходимо отправить нам по электронной почте реквизиты вашей организации.
Экономьте время на получении заказа. В интернет-магазине доступно 3 варианта доставки:
- Курьерская доставка по Москве и Московской области работает с 9.00 до 19.00. Отдел доставки заранее свяжется с Вами для уточнения деталей. Специалист предложит выбрать удобное время доставки и уточнит адрес.
- Самовывоз из магазина. Список торговых точек для выбора появится в корзине. Когда заказ поступит на склад, вам придет уведомление. Для получения заказа обратитесь к сотруднику отдела продаж.
- Отправка через транспортные компании: "Деловые Линии", "СДЭК", "ПЭК" и другие. Когда заказ будет передан в отделение ТК, вам поступит уведомление и номер отслеживания заказа.
Дополнительная вкладка, для размещения информации о магазине, доставке или любого другого важного контента. Поможет вам ответить на интересующие покупателя вопросы и развеять его сомнения в покупке. Используйте её по своему усмотрению.
Вы можете убрать её или вернуть обратно, изменив одну галочку в настройках компонента. Очень удобно.




